| 車両諸元 | 機械質量 | 19,880kg |
|---|---|---|
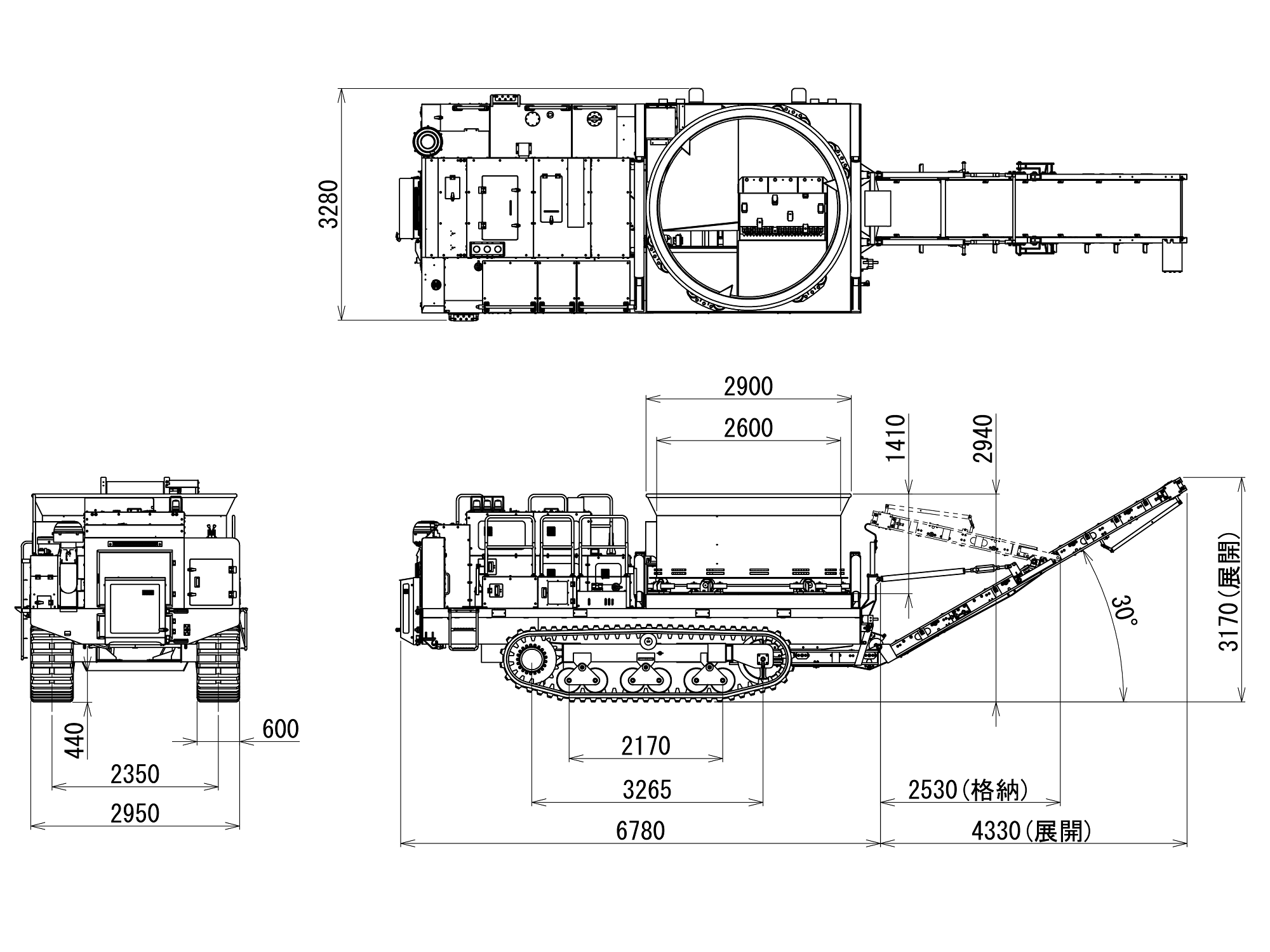
| 全長 | 6,780mm | |
| 全幅(ボディ側) | 3,280mm | |
| 全高 | 2,940mm | |
| 最低地上高 | 440mm | |
| 履帯幅 | 600mm | |
| 走行速度 高/低 | 0~3.0 / 0~2.0km/h | |
| 接地圧 | 74.9 kPa | |
| ホッパー寸法 | 投入口(外径/内径) | 2,900 / 2,600mm |
| 深さ | 1,410mm | |
| 排出コンベア寸法 | コンベア長 | 4,330mm |
| コンベア設置高 | 3,170mm | |
| エンジン | 呼称 | キャタピラー C18 |
| 定格出力 | 470kW/2,100min-1 | |
| 油類の容量 | 燃料タンク容量 | 470ℓ |
| 作動油タンク容量 | 270ℓ | |
| 尿素タンク容量 | 47.2ℓ | |
| 排ガス基準 | オフロード法 2014年規制 Tier4 Final EU Stage V |
|
| ※仕様は予告なく変更する場合があります。 | ||
外観図

ダウンロード 製品カタログ ダウンロード
特長
強靭な足回り & コンパクト設計
肉厚で、繋ぎ目のないゴムクローラは耐久性抜群‼開発から40年の経験とノウハウを生かした傑作です!ゴムクローラを動かしているのがHST(ハイドロ・スタティック・トランスミッション)システムです。油圧による駆動伝達装置は、滑らかでスムーズな動きを実現します。
また、コンベアが折り畳み可能なコンパクトデザインかつゴムクローラを備える自走式である為、作業現場へ直接乗り入れていくことが出来ます。
また、コンベアが折り畳み可能なコンパクトデザインかつゴムクローラを備える自走式である為、作業現場へ直接乗り入れていくことが出来ます。

上投入型で大量の木材・枝葉の破砕が可能!
上から投入するタブ式は、太さが不均一な木材や幹が真っすぐでない広葉樹や、根に近い太い幹、大量の木材、枝葉の破砕なども可能な投入方法です。

「自動逆転機能」を搭載
破砕中にカッター駆動圧力またはカッター回転数低下率が設定値を超えると、ホッパーが自動で逆転して材の詰まりを防止します。この機能により、スムーズに材を破砕することが出来ます。

「磁選機」を標準装備
建築廃材に混在している釘などの金属を排出コンベア上で選別・除去する装置です。生成されるチップへの異物の混入を防ぎます。

選択可能な破砕刃とスクリーン
破砕刃・スクリーンは、生成したい材の大きさ・形状に合わせて数種類から選択することが出来ます。

メンテナンス性
メンテナンス性の向上
効率的な整備点検・メンテナンスを行えるように各機器を配置。点検・整備がスムーズに行え、メンテナンスのしやすい構造となっています。
投入口ホッパー台は90°開閉可能で、スクリーンやカッター刃の交換、清掃作業等メンテナンスを容易に行えます。
投入口ホッパー台は90°開閉可能で、スクリーンやカッター刃の交換、清掃作業等メンテナンスを容易に行えます。

ランニングコストを低減
カッター刃と受け刃は消耗しても上下や裏表を入れ替えることで繰り返し使用することが可能なため、ランニングコストの低減に繋がります。
< カッター刃 > 上下入れ替えの計2回使用可能
< 受け刃 > 上下、表裏入れ替えの計4回使用可能
< カッター刃 > 上下入れ替えの計2回使用可能
< 受け刃 > 上下、表裏入れ替えの計4回使用可能

安全性
緊急停止スイッチ
運転席と車両の左右側面、計3カ所に破砕・走行等全ての動きをストップさせる、緊急停止スイッチを設けています。
※緊急停止スイッチは非常時以外は使用しないでください
「LED前照灯」を搭載
車両前方に大型LED前照灯を配置し夜間や暗所での作業がより安全になりました。

遠隔操作用リモコン
破砕操作用のリモコンを標準装備しています。ホーン、ホッパー操作、非常時のエンジン停止等の操作が材を投入する油圧ショベルの運転室からリモコンで行えるため、ユーザーの負担が軽減されます。

環境性

